Schnellverbinder außen
Nut
8
10
Material:
Stahl
Oberfläche:
Verzinkt
Mindestbestellmenge:
2 Stück
Beschreibung:
Zur Verbindung zweier Profile unter 90°.
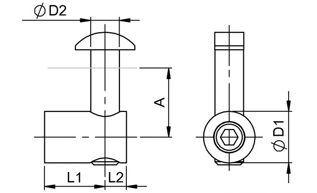
| Best.-Nr. | Nut | L1 | L2 | A (Bohrposition) | ØD1 | ØD2 |
|---|---|---|---|---|---|---|
| 507 0810 | 8 | 14,0 | 6 | 18,0 | 10,95 | 6,8 |
| 507 1001 | 10 | 19,8 | 7 | 22,5 | 16,80 | 9,4 |
Um die STEP-Dateien herunterladen zu können, müssen Sie eingeloggt sein.
Bei Fragen zur Registrierung wenden Sie sich gerne direkt an uns.