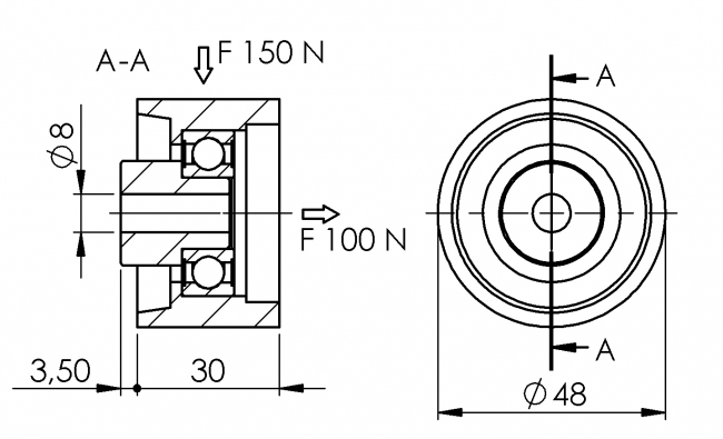
Tragrolle ohne Führung

Nut
 
 
 
 
 
 
 
10
 
 
Material:
PA
Oberfläche:
Schwarz
Mindestbestellmenge:
2 Stück
 
Beschreibung:

Tragrolle mit Kugellager.

Ohne Befestigungssatz.

 
Best.-Nr. Empf. Befest.-Satz
527 0002 BS 026

Um die STEP-Dateien herunterladen zu können, müssen Sie eingeloggt sein.
Bei Fragen zur Registrierung wenden Sie sich gerne direkt an uns.

Hier können Sie sich registrieren / einloggen.