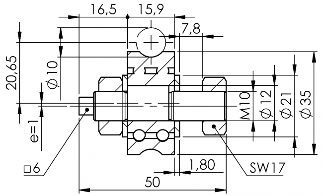
Laufrolle exzentrischer Zapfen

Mindestbestellmenge:
1 Stück
 
Beschreibung:

Exzentrizität e=1,0

Empfohlener Bohrungsabstand „A“:

  • Profil 45x45: A ±0,2 = 106,3
  • Profil 60x60: A ±0,2 = 121,3
  • Profil 45x90: A ±0,2 = 151,3
  • Profil 90x90: A ±0,2 = 151,3
 
Best.-Nr.
526 1001

Um die STEP-Dateien herunterladen zu können, müssen Sie eingeloggt sein.
Bei Fragen zur Registrierung wenden Sie sich gerne direkt an uns.

Hier können Sie sich registrieren / einloggen.