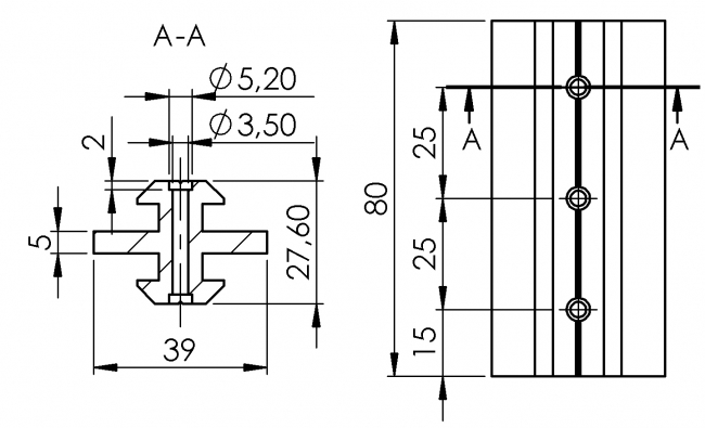
Gleiter Typ A für Nut 10

Nut
 
 
 
 
 
 
 
10
 
 
Material:
POM
Oberfläche:
Natur
Mindestbestellmenge:
1 Stück
 
Beschreibung:

Lagefixierung des Gleiters ist durch Hammermuttern mit Gewindestiften möglich.

 
Best.-Nr.
527 1050

Um die STEP-Dateien herunterladen zu können, müssen Sie eingeloggt sein.
Bei Fragen zur Registrierung wenden Sie sich gerne direkt an uns.

Hier können Sie sich registrieren / einloggen.