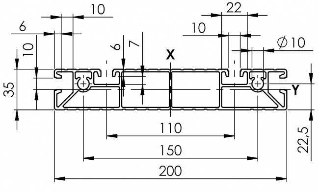
Profil 35 x 200

Nut
 
 
 
 
 
 
 
10
 
 
Material:
AlMgSi0,5 F25
Oberfläche:
Eloxiert
 
Beschreibung:

Ix / Iy = Trägheitsmoment
Wx / Wy = Widerstandsmoment

 
1 Stück à … mm 20 Stück à 6000mm lx / ly (cm4) Wx / Wy (cm3) Profilfläche Gewicht
101 3520/… 101 3520/PE 673,08 / 26,87 67,30 / 15,03 15,85 cm² 4,28 kg/m

Um die STEP-Dateien herunterladen zu können, müssen Sie eingeloggt sein.
Bei Fragen zur Registrierung wenden Sie sich gerne direkt an uns.

Hier können Sie sich registrieren / einloggen.