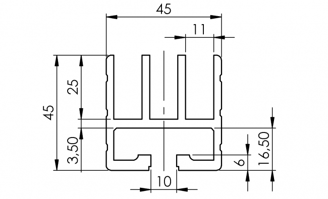
Führungsprofil für Schiebetür

Nut
 
 
 
 
 
 
 
10
 
 
Material:
AlMgSi0,5 F25
Oberfläche:
Eloxiert
 
Beschreibung:

Schiebetürzubehör.
Profil mit drei Schienen zur Aufnahme von Gleit- und Einlegeprofilen für Flächenelemente.

Scheibenhöhe = H – 72 mm

 
1 Stück à … mm 10 Stück à 6000mm Gewicht
104 4545/… 104 4545/PE 1,88 Kg/m

Um die STEP-Dateien herunterladen zu können, müssen Sie eingeloggt sein.
Bei Fragen zur Registrierung wenden Sie sich gerne direkt an uns.

Hier können Sie sich registrieren / einloggen.