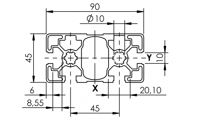
Profil 45 x 90 4N leicht

Nut
 
 
 
 
 
 
 
10
 
 
Material:
AlMgSi0,5 F25
Oberfläche:
Eloxiert
 
Beschreibung:

Ix / Iy = Trägheitsmoment
Wx / Wy = Widerstandsmoment

 
1 Stück à … mm 10 Stück à 6000mm lx / ly (cm4) Wx / Wy (cm3) Profilfläche Gewicht
111 4590L 4NU/… 111 4590L 4NU/PE 83,83 / 25,18 18,63 / 11,53 11,66 cm² 3,16 kg/m

Um die STEP-Dateien herunterladen zu können, müssen Sie eingeloggt sein.
Bei Fragen zur Registrierung wenden Sie sich gerne direkt an uns.

Hier können Sie sich registrieren / einloggen.