Schnellverbinder universal
Nut
6
8
Material:
Stahl
Oberfläche:
Verzinkt
Mindestbestellmenge:
2 Stück
Beschreibung:
Zur Verbindung zweier Profile unter 90°.
Innen und außen montierbar.
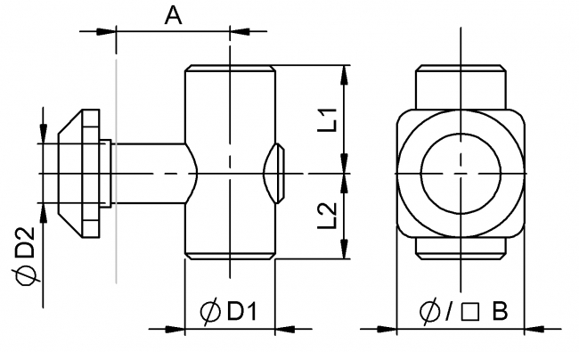
| Best.-Nr. | Nut | L1 | L2 | A (Bohrposition) | Ø/□B | ØD1 | ØD2 |
|---|---|---|---|---|---|---|---|
| 507 0600 | 6 | 9,5 | 7,5 | 10 | □11,2 | 7,90 | 5,2 |
| 507 0800 | 8 | 14,0 | 6,0 | 18 | Ø15,0 | 10,95 | 6,8 |
Um die STEP-Dateien herunterladen zu können, müssen Sie eingeloggt sein.
Bei Fragen zur Registrierung wenden Sie sich gerne direkt an uns.