Kabelblock 2-Weg

Nut
 
 
 
 
 
 
 
10
 
 
Material:
PA 6.6
Oberfläche:
Schwarz
Mindestbestellmenge:
10 Stück
 
Beschreibung:

Zur Installation von Elektro- und Pneumatikleitungen mittels Kabelbinder, fixierbar, Kabelverlegung in zwei Richtungen möglich.

Kabelbinder nicht im Lieferumfang.
Kabelbinder finden Sie ebenfalls in diesem Kapitel.

 
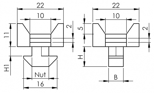
Best.-Nr. Nut L B H H1
506 1003 10 16,6 8,5 11,0 6,0

Um die STEP-Dateien herunterladen zu können, müssen Sie eingeloggt sein.
Bei Fragen zur Registrierung wenden Sie sich gerne direkt an uns.

Hier können Sie sich registrieren / einloggen.