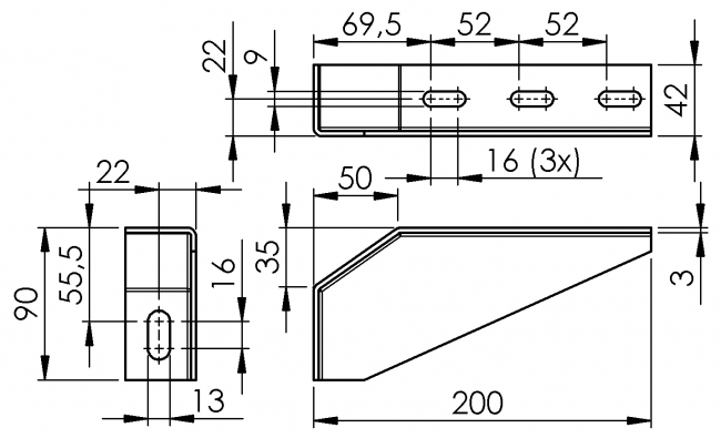
Fundamentwinkel Re/Li

Nut
 
 
 
 
 
 
 
10
 
 
Material:
Stahl
Oberfläche:
Verzinkt
Mindestbestellmenge:
1 Stück
 
Beschreibung:

Zur Erhöhung der Standfestigkeit von Konstruktionen.
Bei schwingender Beanspruchung Schrauben mit Schraubenkleber sichern.

Ohne Befestigungssatz.

 
Best.-Nr. Empf. Befest.-Satz Ausführung
508 0010 BS 006 rechts
508 0011 BS 006 links

Um die STEP-Dateien herunterladen zu können, müssen Sie eingeloggt sein.
Bei Fragen zur Registrierung wenden Sie sich gerne direkt an uns.

Hier können Sie sich registrieren / einloggen.