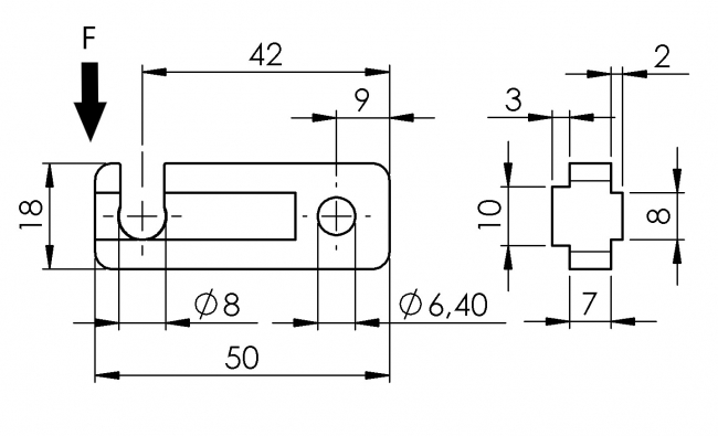
Rollenhalter für Rundachse Ø8

Nut
 
 
 
 
 
8
 
10
 
 
Material:
PA
Oberfläche:
Schwarz
Mindestbestellmenge:
10 Stück
 
Beschreibung:

Dient als Aufnahme von Transportrollen mit Rundachse Ø8.
Kann wechselseitig in Nut 8 oder Nut 10 montiert werden.

Ohne Befestigungssatz.

 
Best.-Nr. Empf. Befest.-Satz Empf. Befest.-Satz F
527 0008 BS 024 (Nut 8) BS 025 (Nut 10) 200 N

Um die STEP-Dateien herunterladen zu können, müssen Sie eingeloggt sein.
Bei Fragen zur Registrierung wenden Sie sich gerne direkt an uns.

Hier können Sie sich registrieren / einloggen.