Würfelverbinder für 2 Profile mit Magnet

Nut
 
 
 
 
 
 
 
10
 
 
Material:
AlMgSi0,5F25
Oberfläche:
Eloxiert
Mindestbestellmenge:
2 Stück
 
Beschreibung:

Zur Verbindung zweier Profile. Mit eingepresstem Magneten, z.B. zur Türzuhaltung.

Inkl. gewindeformender Schrauben und Abdeckkappen.
Material Abdeckkappen: PA 6 schwarz

Passender Anschlagwinkel 990 4469 unter Flächen- und Türelemente > Anschläge.

 
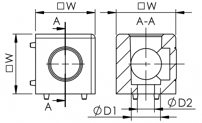
Best.-Nr. □W ØD1 ØD2
504 4542 BM 45 23,9 12,5

Um die STEP-Dateien herunterladen zu können, müssen Sie eingeloggt sein.
Bei Fragen zur Registrierung wenden Sie sich gerne direkt an uns.

Hier können Sie sich registrieren / einloggen.