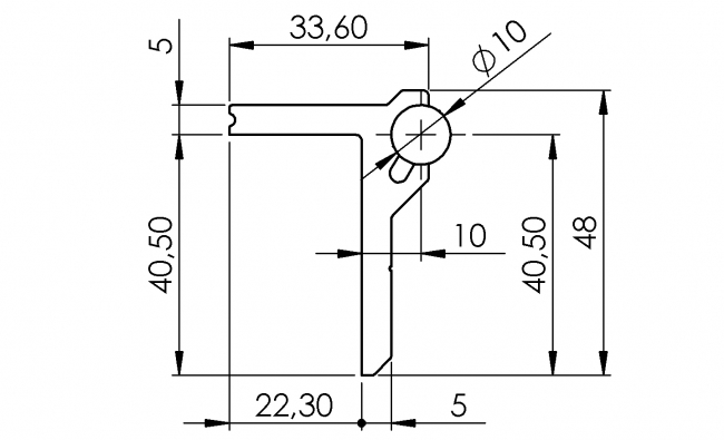
Linearprofil

Material:
AlMgSi0,5 F25
Oberfläche:
Eloxiert natur
 
Beschreibung:

Bestehend aus Führungsschiene und Stahlwelle Ø10.
Fertig vormontiert.

 
1 Stück á … mm 10 Stück á 6000 mm
104 0045/… 104 0045/PE

Um die STEP-Dateien herunterladen zu können, müssen Sie eingeloggt sein.
Bei Fragen zur Registrierung wenden Sie sich gerne direkt an uns.

Hier können Sie sich registrieren / einloggen.