Einfassprofil Nut 6

Nut
 
 
 
6
 
 
 
 
 
 
Material:
PVC hart
Oberfläche:
Schwarz matt
 
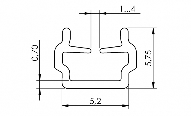
Beschreibung:

Das Einfassprofil dient zur Aufnahme von Flächenelementen wie z. B. Alu-Verbund-, Polycarbonat- oder Aluminium-Platten.

Scheibenlänge L2 = L1 + 10

 
1 Stück à … mm 20 Stück à 2000mm S
512 0006 SW/… 512 0006 SW/PE 1 ... 4

Um die STEP-Dateien herunterladen zu können, müssen Sie eingeloggt sein.
Bei Fragen zur Registrierung wenden Sie sich gerne direkt an uns.

Hier können Sie sich registrieren / einloggen.