Scharnier 30/45 innenliegend aushängbar

Nut
 
 
 
 
 
8
 
10
 
 
Material:
Aluminium
Oberfläche:
Eloxiert
Mindestbestellmenge:
2 Stück
 
Beschreibung:

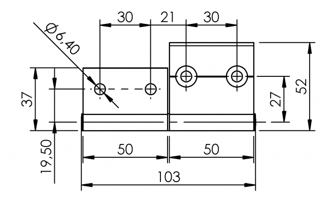
Innenliegendes Scharnier zur Kombination von 30x30- und 45x45-Profilen.
Aushängbar, beidseitig montierbar. Spaltmaß zwischen Profilen = 4 mm.
Öffnungswinkel 180°.

Ohne Befestigungssatz.

 
Best.-Nr. Empf. Befest.-Satz
520 3146 BS 012 + BS 014

Um die STEP-Dateien herunterladen zu können, müssen Sie eingeloggt sein.
Bei Fragen zur Registrierung wenden Sie sich gerne direkt an uns.

Hier können Sie sich registrieren / einloggen.