Druckgusswinkel Doppelnut
Nut
10
Material:
GD-Al
Oberfläche:
Eloxiert
Mindestbestellmenge:
2 Stück
Beschreibung:
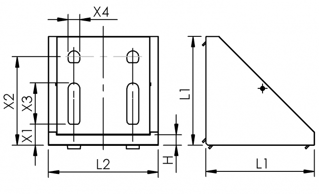
Zur Verbindung zweier Profile unter 90°. Der Druckgusswinkel ist mit Rastöffnungen für optimalen Halt der Abdeckkappen versehen.
Ohne Befestigungssatz.
| Best.-Nr. | Empf. Befest.-Satz | Profil | L1 / L2 | X1 / X2 | X3 | X4 | H |
|---|---|---|---|---|---|---|---|
| 534 9090 | BS 004 | 90x90 | 83 / 84 | 16,0 / 67,5 | 31,5 | 9 | 8 |
Um die STEP-Dateien herunterladen zu können, müssen Sie eingeloggt sein.
Bei Fragen zur Registrierung wenden Sie sich gerne direkt an uns.