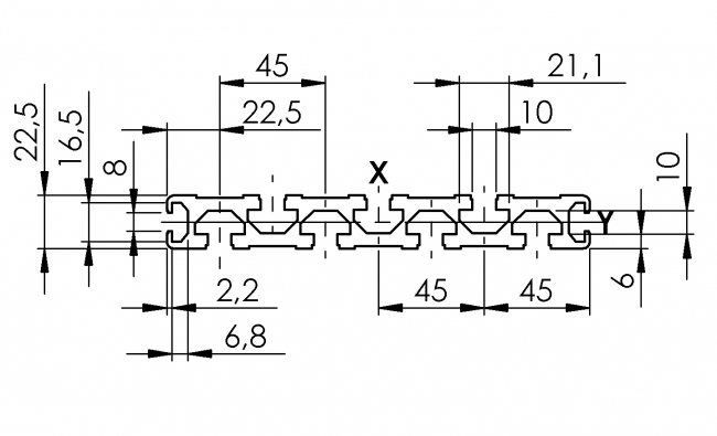
Profil 22,5 x 180

Nut
 
 
 
 
 
8
 
10
 
 
Material:
AlMgSi0,5 F25
Oberfläche:
Eloxiert
 
Beschreibung:

Ix / Iy = Trägheitsmoment
Wx / Wy = Widerstandsmoment

 
1 Stück à … mm 6 Stück à 5600mm lx / ly (cm4) Wx / Wy (cm3) Profilfläche Gewicht
101 2218/… 101 2218/PE 581,99 / 11,79 64,68 / 10,24 21,48 cm² 5,80 kg/m

Um die STEP-Dateien herunterladen zu können, müssen Sie eingeloggt sein.
Bei Fragen zur Registrierung wenden Sie sich gerne direkt an uns.

Hier können Sie sich registrieren / einloggen.