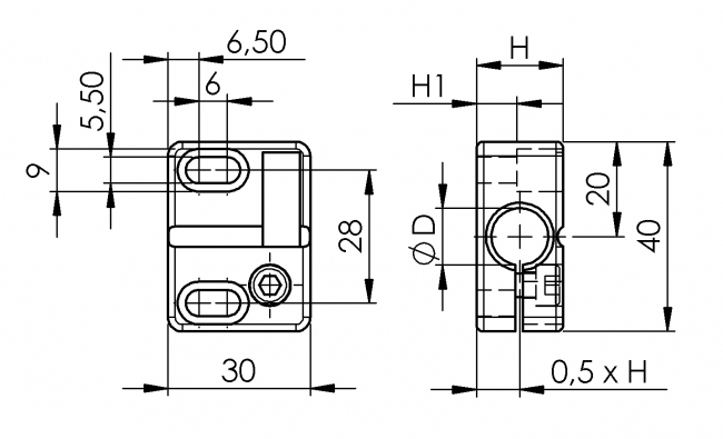
Sensorhalter 12/18

Nut
 
 
 
6
 
8
 
10
 
 
Material:
PA 6
Oberfläche:
Schwarz matt
Mindestbestellmenge:
1 Stück
 
Beschreibung:

Kompakter, einteiliger Sensorhalter.

Beim Wechsel des Sensors bleibt dessen Position erhalten, da nur die Klemmschraube gelöst werden muss, die Befestigungsschrauben jedoch fixiert bleiben.

 
Best.-Nr. ØD H H1
505 1120 12 18,3 8,5
505 1180 18 24,0 11,5

Um die STEP-Dateien herunterladen zu können, müssen Sie eingeloggt sein.
Bei Fragen zur Registrierung wenden Sie sich gerne direkt an uns.

Hier können Sie sich registrieren / einloggen.