Gitterhalter
Nut
8
10
Material:
Aluminium
Oberfläche:
Eloxiert
Mindestbestellmenge:
4 Stück
Beschreibung:
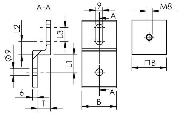
Zur klemmenden Befestigung von Wellengittern, die in Nuten eingefasst werden.
Ohne Befestigungssatz.
| Best.-Nr. | Nut | Empf. Befest.-Satz | B | L1 | L2 | L3 | T |
|---|---|---|---|---|---|---|---|
| 519 3002 | 8 | BS 087 | 30 | 15,0 | 17,0 | 10,0 | 11,0 |
| 519 4502 | 10 | BS 027 | 45 | 22,5 | 17,5 | 18,0 | 17,5 |
Um die STEP-Dateien herunterladen zu können, müssen Sie eingeloggt sein.
Bei Fragen zur Registrierung wenden Sie sich gerne direkt an uns.