Winkelmaterial Aluminium
Material:
AlMgSi0,5 F22
Oberfläche:
Natur
Beschreibung:
AW6060
EN755-9/EN573-3
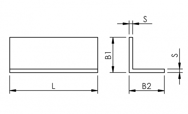
| 1 Stück à ... mm | B1 | B2 | S | L (max.) |
|---|---|---|---|---|
| 990 4154/... | 40 | 40 | 4 | 6000 |
| 990 4346/... | 40 | 40 | 5 | 6000 |
| 990 4147/... | 60 | 40 | 4 | 6000 |
| 990 4488/... | 60 | 60 | 4 | 6000 |
| 990 4236/... | 150 | 50 | 4 | 6000 |
Um die STEP-Dateien herunterladen zu können, müssen Sie eingeloggt sein.
Bei Fragen zur Registrierung wenden Sie sich gerne direkt an uns.