Falttürelement

Nut
 
 
 
 
 
8
 
10
 
 
Material:
GD-Zn
Oberfläche:
Natur
Mindestbestellmenge:
1 Stück
 
Beschreibung:

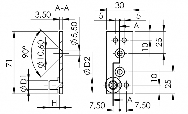
Das Falttürelement für gleichzeitige Dreh- und Gleitbewegungen zeichnet sich durch eine sehr hohe Lebensdauer von ca. 50.000 Zyklen aus.
Inkl. zweier Führungszapfen für Nut 8 und 10.

F max. = 120 N
M max. = 20 Nm

 
Best.-Nr. Nut ØD1 ØD2 H
520 0004 8 8 16 9,5
520 0004 10 10 18 12,0

Um die STEP-Dateien herunterladen zu können, müssen Sie eingeloggt sein.
Bei Fragen zur Registrierung wenden Sie sich gerne direkt an uns.

Hier können Sie sich registrieren / einloggen.