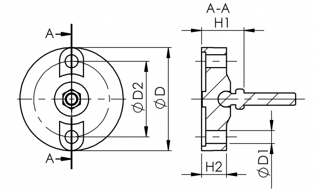
Teller für Gelenkfuß
Material:
PA
Oberfläche:
Schwarz
Beschreibung:
Schwenkbarer Teller für Gewindestange mit Kugelkopf, zum Ausgleich von Bodenunebenheiten. Entsprechend der Größe mit oder ohne Befestigungsbohrung.
Jeder Teller ist mit allen Kugelköpfen kombinierbar.
| Best.-Nr. | ØD | H | H1 | ØD1 | ØD2 | F (N) |
|---|---|---|---|---|---|---|
| 503 00030 K | 30 | 18,0 | 32 | - | - | 3000 |
| 503 00040 K | 40 | 17,0 | 31 | - | - | 4000 |
| 503 00060 K | 60 | 23,0 | 37 | - | - | 7000 |
| 503 01080 K | 80 | 17,5 | 32 | 9,8 | 56 | 8000 |
Um die STEP-Dateien herunterladen zu können, müssen Sie eingeloggt sein.
Bei Fragen zur Registrierung wenden Sie sich gerne direkt an uns.