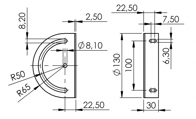
Schwenkbefestigung 180°

Nut
 
 
 
 
 
8
 
10
 
 
Material:
Stahl
Oberfläche:
Verzinkt
Mindestbestellmenge:
2 Stück
 
Beschreibung:

Schwenkbefestigung zur Schrägstellung von z.B. Ablagen oder Ähnlichem.
Mmax. = 40 Nm

 
Best.-Nr.
517 0810

Um die STEP-Dateien herunterladen zu können, müssen Sie eingeloggt sein.
Bei Fragen zur Registrierung wenden Sie sich gerne direkt an uns.

Hier können Sie sich registrieren / einloggen.