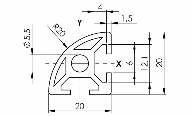
Profil 20 x 20 Radius

Nut
 
 
 
6
 
 
 
 
 
 
Material:
AlMgSi0,5 F25
Oberfläche:
Eloxiert
 
Beschreibung:

Ix / Iy = Trägheitsmoment
Wx / Wy = Widerstandsmoment

 
1 Stück à … mm 40 Stück à 3000mm lx / ly (cm4) Wx / Wy (cm3) Profilfläche Gewicht
100 0026 R/... 100 0026 R/PE 0,60 / 0,60 0,50 / 0,50 1,60 cm² 0,40 kg/m

Um die STEP-Dateien herunterladen zu können, müssen Sie eingeloggt sein.
Bei Fragen zur Registrierung wenden Sie sich gerne direkt an uns.

Hier können Sie sich registrieren / einloggen.