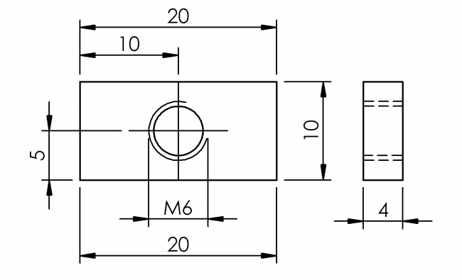
Gewindeplatte 1-Loch

Nut
 
 
 
 
 
8
 
 
 
 
Material:
Aluminium
Oberfläche:
Blank
Mindestbestellmenge:
10 Stück
 
Beschreibung:

Die Gewindeplatte kann beispielsweise wie ein Nutenstein verwendet werden (passend für Nut 8).

 
Best.-Nr.
990 4555

Um die STEP-Dateien herunterladen zu können, müssen Sie eingeloggt sein.
Bei Fragen zur Registrierung wenden Sie sich gerne direkt an uns.

Hier können Sie sich registrieren / einloggen.