Türscharnier Kombi 3

Nut
 
 
 
 
 
 
 
10
 
 
Material:
Metall
Oberfläche:
Schwarz beschichtet
Mindestbestellmenge:
2 Stück
 
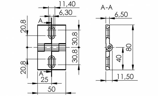
Beschreibung:

Für Profil 40x40 und 40x40 bis Profil 60x60 und 60x60; Öffnungswinkel 180°.

Ohne Befestigungssatz.

 
Best.-Nr. Empf. Befest.-Satz
520 5062 BS 012

Um die STEP-Dateien herunterladen zu können, müssen Sie eingeloggt sein.
Bei Fragen zur Registrierung wenden Sie sich gerne direkt an uns.

Hier können Sie sich registrieren / einloggen.