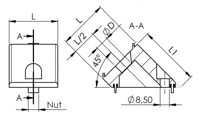
Schrägverbinder 45°

Nut
 
 
 
 
 
 
 
10
 
 
Material:
GD-Al
Oberfläche:
blank
Mindestbestellmenge:
1 Stück
 
Beschreibung:

Mit dem Schrägverbinder werden Profile unter 45° verbunden. Bestens geeignet zur Versteifungen und Stabilisierung von Konstruktionen.

Ohne Befestigungssatz.

 
Best.-Nr. Empf. Befest.-Satz Nut / Profil L L1 ØD
504 3034 BS 050 8 / 30x30 30 38 8,5
504 4549 BS 016 10 / 45x45 45 56,5 12,5

Um die STEP-Dateien herunterladen zu können, müssen Sie eingeloggt sein.
Bei Fragen zur Registrierung wenden Sie sich gerne direkt an uns.

Hier können Sie sich registrieren / einloggen.