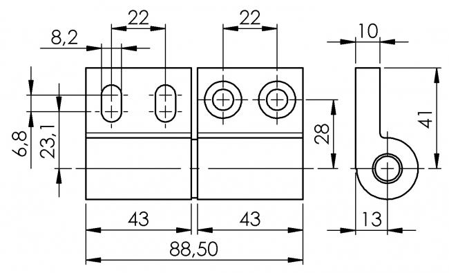
Scharnier 45/30
Nut
8
10
Material:
AlMgSi0,5 F25
Oberfläche:
Eloxiert
Mindestbestellmenge:
2 Stück
Beschreibung:
Zur Kombination von Profilen mit Nut 8 und Nut 10.
Öffnungswinkel 180°.
Ohne Befestigungssatz.
| Best.-Nr. | Empf. Befest.-Satz |
|---|---|
| 520 5076 | BS 020 |
Um die STEP-Dateien herunterladen zu können, müssen Sie eingeloggt sein.
Bei Fragen zur Registrierung wenden Sie sich gerne direkt an uns.