Türscharnier Kombi 1

Nut
 
 
 
 
 
8
 
10
 
 
Material:
Metall
Oberfläche:
Schwarz beschichtet
Mindestbestellmenge:
2 Stück
 
Beschreibung:

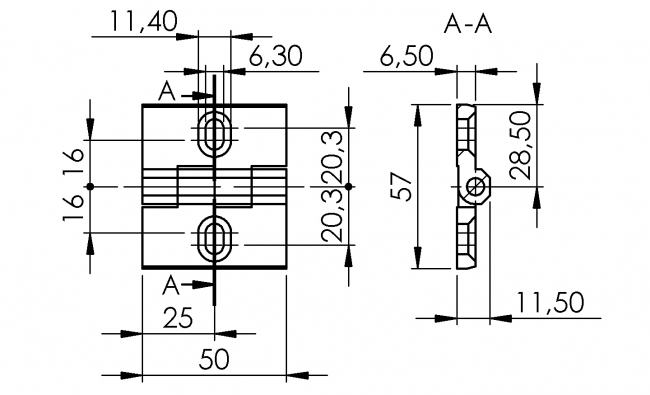
Für Profil 30x30 und 40x40.
Öffnungswinkel 180°.

Ohne Befestigungssatz.

 
Best.-Nr. Empf. Befest.-Satz
520 5060 BS 012 / BS 014

Um die STEP-Dateien herunterladen zu können, müssen Sie eingeloggt sein.
Bei Fragen zur Registrierung wenden Sie sich gerne direkt an uns.

Hier können Sie sich registrieren / einloggen.