Kugelraste
Nut
6
8
10
Material:
Messing / Stahl
Oberfläche:
Verzinkt / Natur
Mindestbestellmenge:
1 Stück
Beschreibung:
Zum Arretieren von Schutztüren und Klappen. Das Rastelement kann aus jeder Richtung eingefahren werden.
Die Haltekraft lässt sich stufenlos einstellen.
Ohne Befestigungssatz.
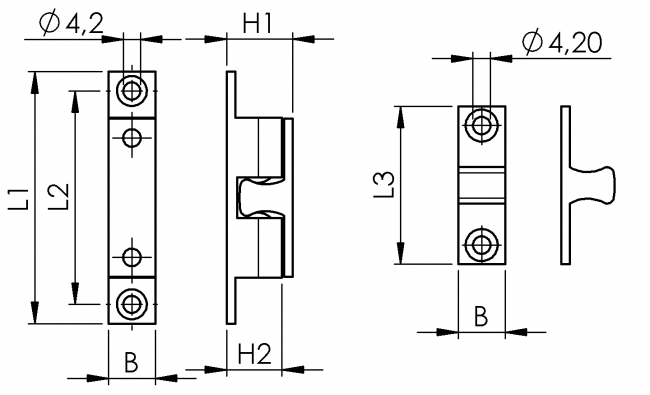
| Best.-Nr. | Empf. Befest.-Satz | Empf. Befest.-Satz | L1 / L2 | L3 | B | H1 / H2 |
|---|---|---|---|---|---|---|
| 520 0082 | BS 047 (Nut 6) | 43 / 35 | 26 | 8 | 11,5 / 9,5 | |
| 520 0002 | BS 048 (Nut 8) | BS 049 (Nut 10) | 59 / 50 | 37 | 11 | 15,5 / 13,0 |
Um die STEP-Dateien herunterladen zu können, müssen Sie eingeloggt sein.
Bei Fragen zur Registrierung wenden Sie sich gerne direkt an uns.